Meny
Robotservice
Verkstad
Våra tjänster
Nyheter
Om oss
Kundcenter
Kontakt
0500-414 130
kundtjanst@soderstroms.nu
Logga in
0
Varukorg
Kassa
Skog
Skog
Visa alla
Motorsågar & Skärutrustning
Motorsågar
Kedjor
Svärd
Filutrustning
Stångsågar
Service / slitdelar
Tillbehör motorsågar
Visa mer
Röjsåg / Trimmer
Skogsröjsågar
Kombimaskiner Delbara
Gräsröjare / Trimmer
Selar
Röj- & gräsklingor
Trimmerhuvud- & linor
Skydd & Förvaring
Tillbehör Kombimaskiner
Service & Tillbehör
Visa mer
Skogsutrustning
Arboristutrustning
Vedklyvar / Vedkapar
Kilar
Yxor
Mätverktyg
Verktyg
Förvaring
Slipmaskiner
Grensågar & Stångsågar
Utrustning / Bälten
Visa mer
Bensin / Oljor
Bensin
Olja
Tillbehör
Övrigt Skog
Leksaker
Relaterade Artiklar
Husqvarna Batteriguide
Stihl Batteriguide
Välj rätt kedja till motorsåg
Tips för Motorsågsunderhåll
Behöver du en batteri eller bensin motorsåg?
Trädgård
Trädgård
Visa alla
Robotgräsklippare och tillbehör
Robotgräsklippare
Installerat & Klart
Slinglöst
Installationstillbehör
Knivar
Tillbehör Robot
Dekaler
Visa mer
Åkgräsklippare
Åkgräsklippare / Rider
Trädgårdstraktorer
Frontrotorklippare
Zero Turn-Klippare
Frontmontage tillbehör
Bakmontage tillbehör
Klippaggregat
Servicekit
Övrigt
Visa mer
Gräsklippare
Mulcher
Uppsamlare
Handgräsklippare
Tillbehör gräsklippare
Vertikalskärare
Servicekit
Visa mer
Grästrimmer
Grästrimmer
Trimmerhuvud
Trimmerlinor & Knivar
Gräsklingor
Tillbehör trimmer
Service & slitdelar
Visa mer
Batterimaskiner
Motorsåg Batteri
Trimmer / Röjsåg Batteri
Häcksax Batteri
Lövblås Batteri
Gräsklippare Batteri
Batteri / Laddare
Tillbehör Batteri
Visa mer
Häcksaxar
Häcksaxar
Tillbehör häcksaxar
Trädgårdsredskap
Braspannor & tillbehör
Trädgårdsdekoration
Trädgårdsredskap
Grensågar & Stångsågar
Grässaxar
Rengöring
Krattor & räffsor
Spadar & skyfflar
Skaft & handtag
Sekatörer / Grensaxar
Spridare
Vinterredskap
Kompostkvarnar
Visa mer
Bevattning
Slangvagnar - vindor
Slangar
Munstycken och strålpistoler
Kopplingar
Vattenspridare
Pumpar
Bevattningsautomatik
Micro-Drip-system
Trycksprutor
Sprinklersystem / Pipeline
Smart System - Gardena
Visa mer
Lövblåsar
Lövblåsar
Tillbehör lövblåsar
Jordfräsar
Jordfräsar
Tillbehör jordfräsar
Elverk
Elverk
Tillbehör elverk
Jord & isborr
Jordborrar
Borrar
Tillbehör jordborrar
Snöslungor
Snöslungor
Tillbehör snöslungor
Rengöringsmaskiner
Högtryckstvättar
Dammsugare
Vattenpumpar
Våt och Torrdamsugare
Tillbehör högtryckstvättar
Tillbehör dammsugare
Visa mer
Bensin / Oljor
Bensin
Oljor
Pipar / dunkar
Kapmaskiner
Kapmaskiner
Kapskivor
Tillbehör kapmaskiner
Leksaker
Leksaker
Relaterade Artiklar
Husqvarna Batteriguide
Stihl Batteriguide
Batteritest Automower®
Allt om Husqvarna Service Plus
Service och vinterförvaring för Automower®
Allt du behöver veta om Automower® tillbehör
Husqvarna Automower® Knivar – En Fullständig Guide
Automower® Säkerhet: Hur Inbyggda Funktioner Skyddar Dig och Din Trädgård
Visa mer
ATV / UTV
ATV / UTV
Visa alla
ATV / UTV
ATV / Fyrhjuling
UTV
Elmoped
Barnfyrhjuling
ATV-tillbehör
Batteriladdare / Starthjälp
Belysning
Bensin/Oljor
Boxar/Väskor
Handtagsvärme
Hasplåtar
Stötfångare
Hytter
Vindruta
Lås & säkerhet
Ramper
Dörrar
Tak
Övrigt
Visa mer
Original Tillbehör CFMOTO
Universal Tillbehör CF
CFORCE 450 Tillbehör
CFORCE 520 Tillbehör
CFORCE 550 Tillbehör
CFORCE 600 Tillbehör
CFORCE 625 Tillbehör
CFORCE 800 Tillbehör
CFORCE 820 Tillbehör
CFORCE 850 Tillbehör
CFORCE 1000 Tillbehör
UFORCE 550 Tillbehör
UFORCE 600 Tillbehör
UFORCE 800 Tillbehör
UFORCE 1000 Tillbehör
ZFORCE 550 Tillbehör
ZFORCE 600 Tillbehör
ZFORCE 800 Tillbehör
ZFORCE 1000 Tillbehör
ZFORCE 1000 Sport Tillbehör
Visa mer
Vagnar och Redskap
Timmervagnar
Flakvagnar
Grönytor
Vältar
Spridare
Jordbearbetning
Krattor & vägsladdar
Tillbehör
Dragkrokar och Fästen
Visa mer
Vinschar
Vinschar
Tillbehör & Reservdelar
Plogar & Tillbehör
Plogar / Snöblad
Tillbehör Plogar
Däck & Fälg
Däck
Fälgar
Skruvdubb
Snökedjor
Hjulbreddare / Spacers
Tillbehör
Visa mer
Service & Underhåll
Servicekit
Oljor & Smörjmedel
Relaterade Artiklar
Vanliga frågor om CFMOTO
Guide ATV / Fyrhjuling
Däck Guide ATV
Skydd & Kläder
Skydd & Kläder
Visa alla
Hjälm & Hörselskydd
Hjälmar
Hörselskydd
Skyddsglasögon
Hjälmtillbehör
Skydds- / arbetskläder
Arbetsjackor
Arbetsbyxor
Arbetsbyxor med sågskydd
Handskar med sågskydd
Arbetshandskar
Skyddsstövlar / kängor
Stövlar med sågskydd
Kängor med sågskydd
Kängor
Tillbehör Skyddssko
Fritidskläder
Mössor / kepsar
Jackor
Fritidsbyxor
Fritidströjor
Skjortor
Underställ
Accessoarer
Visa mer
Övrigt
Bälten
Hängslen
Termos & Muggar
Väskor / förvaring
Övrigt
Husqvarna Xplorer Outdoor
Mössor & Kepsar
Jackor
Tröjor & Tshirts
Byxor
Ryggsäckar & Väskor
Accessoarer
Visa mer
Relaterade Artiklar
Husqvarna Storleksguide
Stihl Storleksguide
Tvätt- och reparationsguide
Tilbehörsguide Husqvarna Handskar
Paket
Paket
Visa alla
Alla Paket
Robotgräsklippare
Motorsågspaket
Motorsågstillbehör
Trimmer och Röjpaket
Klädpaket
Trädgårdspaket
Plogpaket
Batteripaket
Övriga Paket
Outlet
Reservdelar
Reservdelar
Visa alla
Husqvarna reservdelar
Partner reservdelar
Flymo reservdelar
Jonsered reservdelar
Bluebird reservdelar
Klippo reservdelar
Dixon reservdelar
Gardena reservdelar
Weed Eater reservdelar
Zenoah reservdelar
Poulan reservdelar
Poulan Pro reservdelar
Yazoo Kees reservdelar
CFMOTO reservdelar
Skog
Skog
Visa alla
Motorsågar & Skärutrustning
Motorsågar
Kedjor
Svärd
Filutrustning
Stångsågar
Service / slitdelar
Tillbehör motorsågar
Visa mer
Röjsåg / Trimmer
Skogsröjsågar
Kombimaskiner Delbara
Gräsröjare / Trimmer
Selar
Röj- & gräsklingor
Trimmerhuvud- & linor
Skydd & Förvaring
Tillbehör Kombimaskiner
Service & Tillbehör
Visa mer
Skogsutrustning
Arboristutrustning
Vedklyvar / Vedkapar
Kilar
Yxor
Mätverktyg
Verktyg
Förvaring
Slipmaskiner
Grensågar & Stångsågar
Utrustning / Bälten
Visa mer
Bensin / Oljor
Bensin
Olja
Tillbehör
Övrigt Skog
Leksaker
Relaterade Artiklar
Husqvarna Batteriguide
Stihl Batteriguide
Välj rätt kedja till motorsåg
Tips för Motorsågsunderhåll
Behöver du en batteri eller bensin motorsåg?
Trädgård
Trädgård
Visa alla
Robotgräsklippare och tillbehör
Robotgräsklippare
Installerat & Klart
Slinglöst
Installationstillbehör
Knivar
Tillbehör Robot
Dekaler
Visa mer
Åkgräsklippare
Åkgräsklippare / Rider
Trädgårdstraktorer
Frontrotorklippare
Zero Turn-Klippare
Frontmontage tillbehör
Bakmontage tillbehör
Klippaggregat
Servicekit
Övrigt
Visa mer
Gräsklippare
Mulcher
Uppsamlare
Handgräsklippare
Tillbehör gräsklippare
Vertikalskärare
Servicekit
Visa mer
Grästrimmer
Grästrimmer
Trimmerhuvud
Trimmerlinor & Knivar
Gräsklingor
Tillbehör trimmer
Service & slitdelar
Visa mer
Batterimaskiner
Motorsåg Batteri
Trimmer / Röjsåg Batteri
Häcksax Batteri
Lövblås Batteri
Gräsklippare Batteri
Batteri / Laddare
Tillbehör Batteri
Visa mer
Häcksaxar
Häcksaxar
Tillbehör häcksaxar
Trädgårdsredskap
Braspannor & tillbehör
Trädgårdsdekoration
Trädgårdsredskap
Grensågar & Stångsågar
Grässaxar
Rengöring
Krattor & räffsor
Spadar & skyfflar
Skaft & handtag
Sekatörer / Grensaxar
Spridare
Vinterredskap
Kompostkvarnar
Visa mer
Bevattning
Slangvagnar - vindor
Slangar
Munstycken och strålpistoler
Kopplingar
Vattenspridare
Pumpar
Bevattningsautomatik
Micro-Drip-system
Trycksprutor
Sprinklersystem / Pipeline
Smart System - Gardena
Visa mer
Lövblåsar
Lövblåsar
Tillbehör lövblåsar
Jordfräsar
Jordfräsar
Tillbehör jordfräsar
Elverk
Elverk
Tillbehör elverk
Jord & isborr
Jordborrar
Borrar
Tillbehör jordborrar
Snöslungor
Snöslungor
Tillbehör snöslungor
Rengöringsmaskiner
Högtryckstvättar
Dammsugare
Vattenpumpar
Våt och Torrdamsugare
Tillbehör högtryckstvättar
Tillbehör dammsugare
Visa mer
Bensin / Oljor
Bensin
Oljor
Pipar / dunkar
Kapmaskiner
Kapmaskiner
Kapskivor
Tillbehör kapmaskiner
Leksaker
Leksaker
Relaterade Artiklar
Husqvarna Batteriguide
Stihl Batteriguide
Batteritest Automower®
Allt om Husqvarna Service Plus
Service och vinterförvaring för Automower®
Allt du behöver veta om Automower® tillbehör
Husqvarna Automower® Knivar – En Fullständig Guide
Automower® Säkerhet: Hur Inbyggda Funktioner Skyddar Dig och Din Trädgård
Visa mer
ATV / UTV
ATV / UTV
Visa alla
ATV / UTV
ATV / Fyrhjuling
UTV
Elmoped
Barnfyrhjuling
ATV-tillbehör
Batteriladdare / Starthjälp
Belysning
Bensin/Oljor
Boxar/Väskor
Handtagsvärme
Hasplåtar
Stötfångare
Hytter
Vindruta
Lås & säkerhet
Ramper
Dörrar
Tak
Övrigt
Visa mer
Original Tillbehör CFMOTO
Universal Tillbehör CF
CFORCE 450 Tillbehör
CFORCE 520 Tillbehör
CFORCE 550 Tillbehör
CFORCE 600 Tillbehör
CFORCE 625 Tillbehör
CFORCE 800 Tillbehör
CFORCE 820 Tillbehör
CFORCE 850 Tillbehör
CFORCE 1000 Tillbehör
UFORCE 550 Tillbehör
UFORCE 600 Tillbehör
UFORCE 800 Tillbehör
UFORCE 1000 Tillbehör
ZFORCE 550 Tillbehör
ZFORCE 600 Tillbehör
ZFORCE 800 Tillbehör
ZFORCE 1000 Tillbehör
ZFORCE 1000 Sport Tillbehör
Visa mer
Vagnar och Redskap
Timmervagnar
Flakvagnar
Grönytor
Vältar
Spridare
Jordbearbetning
Krattor & vägsladdar
Tillbehör
Dragkrokar och Fästen
Visa mer
Vinschar
Vinschar
Tillbehör & Reservdelar
Plogar & Tillbehör
Plogar / Snöblad
Tillbehör Plogar
Däck & Fälg
Däck
Fälgar
Skruvdubb
Snökedjor
Hjulbreddare / Spacers
Tillbehör
Visa mer
Service & Underhåll
Servicekit
Oljor & Smörjmedel
Relaterade Artiklar
Vanliga frågor om CFMOTO
Guide ATV / Fyrhjuling
Däck Guide ATV
Skydd & Kläder
Skydd & Kläder
Visa alla
Hjälm & Hörselskydd
Hjälmar
Hörselskydd
Skyddsglasögon
Hjälmtillbehör
Skydds- / arbetskläder
Arbetsjackor
Arbetsbyxor
Arbetsbyxor med sågskydd
Handskar med sågskydd
Arbetshandskar
Skyddsstövlar / kängor
Stövlar med sågskydd
Kängor med sågskydd
Kängor
Tillbehör Skyddssko
Fritidskläder
Mössor / kepsar
Jackor
Fritidsbyxor
Fritidströjor
Skjortor
Underställ
Accessoarer
Visa mer
Övrigt
Bälten
Hängslen
Termos & Muggar
Väskor / förvaring
Övrigt
Husqvarna Xplorer Outdoor
Mössor & Kepsar
Jackor
Tröjor & Tshirts
Byxor
Ryggsäckar & Väskor
Accessoarer
Visa mer
Relaterade Artiklar
Husqvarna Storleksguide
Stihl Storleksguide
Tvätt- och reparationsguide
Tilbehörsguide Husqvarna Handskar
Paket
Paket
Visa alla
Alla Paket
Robotgräsklippare
Motorsågspaket
Motorsågstillbehör
Trimmer och Röjpaket
Klädpaket
Trädgårdspaket
Plogpaket
Batteripaket
Övriga Paket
Outlet
Reservdelar
Reservdelar
Visa alla
Husqvarna reservdelar
Partner reservdelar
Flymo reservdelar
Jonsered reservdelar
Bluebird reservdelar
Klippo reservdelar
Dixon reservdelar
Gardena reservdelar
Weed Eater reservdelar
Zenoah reservdelar
Poulan reservdelar
Poulan Pro reservdelar
Yazoo Kees reservdelar
CFMOTO reservdelar
Robotservice
Verkstad
Våra tjänster
Nyheter
Om oss
Kundcenter
Kontakt
Mitt konto
Hem
»
CFMOTO Reservdelar
»
ATV
»
CFORCE-820-T3B
»
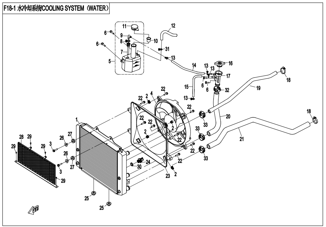
COOLING SYSTEM(WATER)
COOLING SYSTEM(WATER) -
Ref.nr
Art.nr
Namn
Antal
Pris
Lagerstatus